このメーカーの取扱いは終了したため、新規お問い合わせは受けつけておりません。
代替品について、弊社までお問い合わせください。
WEB お問い合わせ

High-linearity Optocouplers LOC110/LOC111/LOC112

高リニアリティー アナログ フォトカプラ LOC110/LOC111/LOC112 シリーズ

 

IXYS 社の高リニアリティ・アナログ・フォトカプラは、特性がマッチした2つのフォトダイオードと発光ダイオード (LED) で構成されています。フォトダイオードの特性マッチと高度な光結合によって、フォトカプラの高リニアリティおよび安定したゲインを確保します。

アナログ フォトカプラ LOC110/LOC111/LOC112

特長

  • デジタル・アナログ信号カプラー
  • 広帯域幅:>200KHz
  • 高利得安定性
  • 低入力・出力キャパシタンス
  • 低消費電力

アプリケーション

  • 電源装置 電圧・電流フィードバック
  • 医療機器センサのインターフェース回路
  • 絶縁型トランスデューサ(信号変換器)
  • 絶縁型 4-20mA コンバータ
  • アイソレーションアンプ

仕様

型番 LOC110 LOC111 LOC112
動作範囲 2 ~ 10mA
K3, 転送ゲイン 0.668 ~ 1.179 0.733 ~ 1.072
サーボ・リニアリティ 0.01%
パッケージ 8-pin SOIC また DIP (PCMCIA 互換)

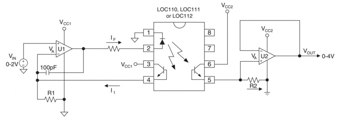
LOC110/LOC111/LOC112 高リニアリティー・アナログ・フォトカプラブロック図

  • 医療機器向けへご使用を検討の場合は、事前に弊社までお問い合わせください。
  • 記載している製品情報やPDF資料の内容は予告なく変更される可能性があります。最新仕様はメーカーサイトでご確認いただくか、弊社までお問合せください。
  • このページに記載されている社名や製品名、登録商標、ロゴマーク等の著作権またその他の権利は、各社に帰属します。